Application |
Application |
simple evaluation of rotating and linearmovement with regard to underspeed; blocking |
Switching function |
output is switched during the start-up delay and if (f actual) is greater than (f preset) |
Electrical design |
DC PNP |
Switching output |
normally open |
Electrical data |
Nominal voltage [V] |
10...36 DC |
Current consumption [mA] |
< 15 |
Reverse polarity protection |
yes |
Outputs |
Transistor |
Current rating (continuous) [mA] |
250 |
Current rating (peak) [mA] |
250 |
Voltage drop [V] |
< 2.5 |
Short-circuit proof |
yes |
Overload protection |
yes |
Range |
Sensing range [mm] |
10 |
Correction factors |
mild steel = 1 / stainless steel approx. 0.7 / brass approx. 0.5 / Al approx. 0.4 / Cu
approx. 0.3 |
Measuring / setting range |
Setting range [pulses/min.] |
5...300 |
Adjustment of the switch point |
multiturn potentiometer |
Hysteresis [% of Sp] |
10 |
Start-up delay [s] |
15 |
Reaction times |
Damping frequency (max.) [pulses/min] |
15000 |
Environment |
Ambient temperature [°C] |
-25...80 |
Protection |
IP 67 |
Safety classification |
MTTF [a] |
898 |
Mechanical data |
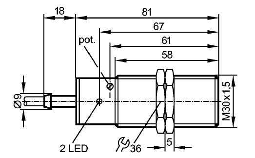
Mounting |
flush mountable |
Housing materials |
brass special coating; PBT (Pocan) |
Weight [kg] |
0.257 |
Displays / operating elements |
Input pulses LED |
yellow |
Output status indication LED |
green |
Electrical connection |
Connection |
PVC cable / 2 m; 3 x 0.5 mm² |

|
Remarks |
Pack quantity [piece] |
1 |