最近在线中文字幕更新_亚洲第一页在线播放_国产乱子伦视频在线观看_夭天干天天做天天免费看,亚洲视频在线不卡,最近中文字幕无吗高清网,亚洲涩综合

產品導航
接近傳感器 
電感式接近傳感器 
金屬感應面電感式接近傳感器 
超小型電感式接近傳感器 
增強遠距離接近傳感器 
耐腐蝕接近傳感器 
環形傳感器 
耐高溫接近傳感器 
電容式接近傳感器 
管道液位控制器 
磁感應接近傳感器 
霍爾傳感器 
速度傳感器 
齒輪測速傳感器 
速度控制開關 
耐高壓接近傳感器 
NAMUR本安接近開關 
光傳感器 
光電開關 
光學編碼器 
色標RGB傳感器 
激光傳感器 
超小型光電傳感器 
遠距離光電傳感器 
位移傳感器 
模擬量光電傳感器 
電渦流位移傳感器 
拉繩(線)位移傳感器 
彈簧自動伸縮位移傳感器 
壓力傳感器 
稱重系列傳感器 
壓力系列傳感器 
張力系列傳感器 
電子壓力繼電器 
溫度傳感器 
帶式輸送機保護裝置 
跑偏開關 
拉繩開關 
速度打滑檢測器 
料流檢測器 
料位檢測器 
縱向撕裂檢測器 
污水泵自動控制裝置 
膠帶輸送機故障顯示器 
帶地址碼輸送帶保護裝置 
鋼鐵行業專用檢測裝置 
冷熱金屬檢測器 
行車防撞保護器 
紡織行業專用傳感器 
傳感器配件 
替代進口品牌傳感器 
光纖傳感器 
耐高溫傳感器 
耐高溫接近開關 
耐高溫光電傳感器 
耐高溫行程限位開關 
光幕傳感器 
安全光幕傳感器 
經濟型安全光幕 
測量光幕傳感器 
行程限位開關 
防水型限位開關 
KA行程開關 
KB行程開關 
KC限位開關 
KD限位開關 
KE限位開關 
KF限位開關 
重型限位開關 
耐高溫行程限位開關 
防爆行程限位開關 
超聲波傳感器 
超聲波傳感器 
超聲波料位(液位)計 
智能脈沖雷達物位計 
無線傳感器 
無線傳感器 
自動化智能控制事業部 
測量傳感器 
視覺缺陷檢測 
 
24小時服務熱線
 當前位置:首頁 - 產品中心 - 光傳感器 - 光電開關
 
基本型光電開關KJT-ST系列
 
產品名稱:基本型光電開關KJT-ST系列

產品編號:16548-490

產品型號:KJT-ST

更新時間:2018.09.12

出品單位:光電接近開關-南京凱基特電氣有限公司


   產品詳細介紹
產品簡介
   KJT-ST系列傳感器,是自主研發、生產的基本型光電傳感器產品,融光電轉換電路、放大電路、邏輯處理電路和驅動輸出電路為一體。與國外同類產品比較具有價格低廉的優勢,與國內同類產品比較具有響應快、精度高、質量穩定的特點。適應于機器人、自動化生產線、車床、機械手及機械臂組件、食品加工設備、印刷設備及其它工業機械設備等。
 
 
產品特性
直接替代相關型號進口產品,并具有以下優勢:
■能耗低(小于17ma);
■1KHz---3KHz高速響應;
■自動引腳極性保護,接線錯誤也不會損壞器件本身;
■2mil鍍金引腳,長期抗氧化,確保系統穩定
■內置放大器和數字轉換電路,通一輸出CMOS標準電平,方便信號采集,可直接與多種負載匹配;
■動作模式如光時ON和遮光時ON可通過“L”端與“+”端連接進行切換,運用此功能可以方便構成最小控制系統;
 
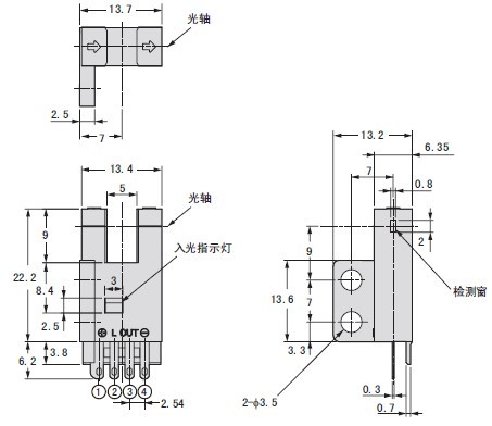
技術參數
檢測距離
5mm(凹槽寬度)
標準檢測物體
不透明體2×0.8mm  
應差距離
0.025mm
光源(發光波長)
GaAs紅外發光二極管(940nm)
顯示燈×1
遮光時燈亮(紅色)
電源電壓
DC5V--DC24V±10% 脈動(p-p)10%以下
靜態消耗電流
20mA以下(NPN型)
KJT-ST676
控制輸出
受光時指示燈亮,NPN集電極無輸出;遮光時指示燈滅,NPN集電極開路輸出DC5V--24V 、 100mA以下, 殘留電壓0.5V以下(負荷電流100mA時)、殘留電壓0.3V以下(負荷電流40mA時)
 
KJT-ST676
控制輸出
受光時指示燈不滅,NPN集電極無輸出;遮光時指示燈亮,NPN集電極開路輸出DC5V--24V 、 100mA以下, 殘留電壓0.5V以下(負荷電流100mA時)、殘留電壓0.3V以下(負荷電流40mA時)
 
自動保護
內置極性自動保護電路,引線接錯時傳感器本身不會損壞,但不工作.
響應頻率
1KHz--3kHz
使用環境照度
受光面照度 熒光燈:1000 1x以下
環境溫度
工作時:-25~+55℃  保存時:-30~+80℃
環境濕度
工作時:5~85%RH    保存時:5~95%RH
 
安裝尺寸及端子配置
 
 
 
安裝方式
●  不能用膠水粘固                 正確方法:使用螺絲釘固定
 
使用注意事項
● 本傳感器不可以作為人體保護檢測使用;
● 本傳感器為非防水、防塵構造。用于可能附著水、油等液體或空間漂浮塵粒過多的場合時,會因液體滲入或大量塵粒進入內部而發生故障;
● “L”引腳與“+”引腳相接時,輸出狀態即時轉換如:受光時指示燈不亮、“out”無輸出電流,相接后指示燈不亮、但“out”有輸出電流。其它各引腳接線錯誤時,傳感器不工作,但傳感器本身不會損壞。
●負載不能短路,否則會造成傳感器損壞;
● 公司對應用本產品的最終用戶提供全方位技術支持,包括接口匹配、負載選擇方案及組成自動化系統等,如有本需求請與各經銷商聯系;
● 請不要在超過本系列產品額定使用條件下使用;
● 各產品都備有接插端子 (選配件),如果用戶直接焊接引線,謹請焊接時請參考如下條件進行:
            溫度         容許時間             備注
烙鐵      350℃以下       3S以下     軟焊要離開端子1.5mm以上    
 
如果超出上表所示的焊接條件,將會使端子固定部位松動、變形,和導致其它功能故障。
 
 
 
本站推薦:南京凱基特電氣有限公司主營接近開關光電開關拉繩開關等電氣用品,支持批發代理加盟。
首頁 |  全部產品 |  實用文章 |  新聞動態 |  工程案例 |  企業簡介 |  購物車 |  聯系我們 | 
點擊咨詢傳感器廠家固定電話:400-6366-987 傳真:025-87168200 網站技術支持:南京seo備案號:蘇ICP備12080292號
贵阳市| 义乌市| 郧西县| 潼南县| 黄平县| 双桥区| 哈巴河县| 盐池县| 界首市| 曲沃县| 太湖县| 建湖县| 威宁| 华蓥市| 巫山县| 专栏| 云南省| 砀山县| 珠海市| 淳安县| 墨脱县| 招远市| 喀什市| 资中县| 顺义区| 荆州市| 麻城市| 清原| 泰宁县| 武夷山市| 图片| 垣曲县| 开封市| 合水县| 资源县| 台北市| 浦江县| 新巴尔虎右旗| 油尖旺区| 九寨沟县| 海原县|