最近在线中文字幕更新_亚洲第一页在线播放_国产乱子伦视频在线观看_夭天干天天做天天免费看,亚洲视频在线不卡,最近中文字幕无吗高清网,亚洲涩综合

凱基特
快速導航
 
快速搜索
產品 新聞 下載
           
             
 
樣本手冊
 
 當前位置:營銷網絡 - 技術支持 -
 
南京凱基特電氣供應:速度打滑檢測器KJT-SJ
 
錄入時間:2014-02-24 14:19:29瀏覽次數:1
 

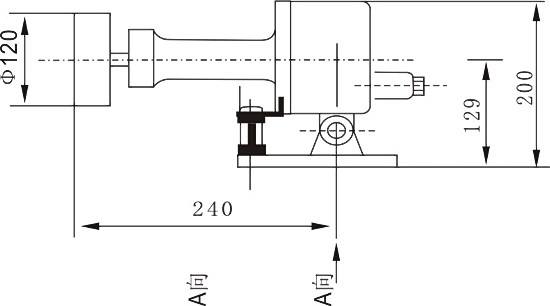
速度打滑檢測器 KJT-SJ

速度打滑檢測器KJT-SJ

◆工作原理 
    當觸輪隨膠帶機運行而旋轉時而帶動機內的脈沖盤,在脈沖盤旋轉時傳感器的磁應信號輸入到控制電路中去,經放大整形后進行計數。其計數值與預置數比較,判斷膠帶的帶速,即:正常速度、打滑或超速等等。同時執行電路輸出相應的開關信號。 
◆安裝與使用 
    本機安裝在輸送機膠帶的下面,安裝后應保證膠帶有料情況下使打滑檢測器與膠帶面平行,同時膠帶無

速度打滑檢測器速度打滑檢測器

速度打滑檢測器

速度打滑檢測器

本站推薦:南京凱基特電氣有限公司主營 接近開關光電開關拉繩開關 等電氣用品,支持批發代理加盟。
首頁 |  全部產品 |  實用文章 |  新聞動態 |  工程案例 |  企業簡介 |  購物車 |  聯系我們 | 
固定電話: 025-66075066 備案號:蘇ICP備12080292號
惠东县| 威远县| 阳原县| 华安县| 临湘市| 醴陵市| 彰化县| 栖霞市| 务川| 德阳市| 新巴尔虎右旗| 新源县| 饶河县| 延吉市| 太和县| 岑溪市| 龙川县| 临潭县| 广河县| 庆安县| 无为县| 库尔勒市| 通城县| 清徐县| 策勒县| 中方县| 滁州市| 湄潭县| 澎湖县| 上栗县| 宣恩县| 封开县| 白水县| 上杭县| 陆川县| 浏阳市| 万宁市| 湟源县| 城口县| 溧水县| 鹰潭市|